Redefining Powdered Sugar Production: Suedzucker's Innovation
SUSTAINABILITYCONFECTIONARYBEVERAGESDAIRY & ALTERNATIVES


This is an AI generated illustration and does not represent actual product or service.
Powdered sugar is a staple in kitchens and industries worldwide, used in everything from baking to pharmaceuticals. However, producing high-quality powdered sugar with consistent texture, flowability, and shelf life has always been a challenge. Traditional drying methods often result in clumping, uneven particle sizes, and energy inefficiency. Addressing these issues, Suedzucker AG, a sugar producing company, has developed an innovative method and device for producing powdered sugar. This innovation promises to revolutionize the drying process, offering improved efficiency, consistency, and product quality.
The Challenge of Producing Powdered Sugar
Producing powdered sugar involves drying and finely grinding sugar crystals into a smooth, free-flowing powder. However, traditional methods face several challenges:
1. Clumping and Stickiness: Sugar powders are prone to absorbing moisture, leading to clumping and reduced flowability. This makes the powder difficult to handle and use.
2. Inconsistent Particle Sizes: Achieving a uniform particle size is critical for the texture and performance of powdered sugar. Traditional methods often result in uneven particle sizes, affecting the product’s quality.
3. Energy Inefficiency: Conventional drying methods, such as spray drying, require high temperatures and frequent maintenance, increasing energy consumption and operational costs.
4. Product Heterogeneity: Variations in crystallinity and moisture content can lead to inconsistent product performance, especially in applications like baking or pharmaceutical formulations.
Suedzucker AG’s invention addresses these challenges by introducing a novel vacuum mixer dryer and a method that ensures efficient, consistent, and energy-saving production of powdered sugar.
The Suedzucker AG Solution: A Vacuum Mixer Dryer
The core of Suedzucker AG’s innovation is a vacuum mixer dryer designed to handle sugar solutions and produce high-quality powdered sugar. Here’s how it works:
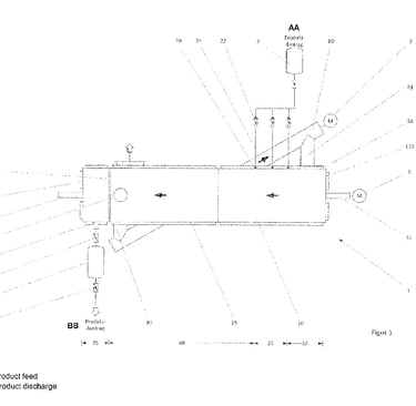
1. Injection Area: A sugar solution (e.g., isomalt or isomaltulose) is injected into the dryer at high temperatures (80–110°C) and under reduced pressure (30–600 mbar). The solution is sprayed onto a dry sugar template, which acts as a seed material for crystallization.
2. Drying and Homogenization: The injected solution is dried and homogenized as it moves through the dryer. A rotating dryer shaft with disk elements and counter hooks ensures thorough mixing, kneading, and size reduction of the sugar particles. The process occurs at mild temperatures (40–85°C), preserving the quality of the sugar.
3. Discharge Area: The dried powdered sugar is collected and discharged from the dryer. A portion of the dried product is recycled back into the injection area as a dry sugar template, enabling continuous operation.
4. Vacuum Environment: The reduced pressure in the dryer allows for flash evaporation, where water evaporates rapidly, leading to efficient drying and crystallization.
The Method: Step-by-Step
Suedzucker AG’s method involves the following steps:
1. Preparation of the Sugar Solution: A sugar solution is prepared, containing at least one poorly soluble sugar (e.g., isomaltulose) and one readily soluble sugar (e.g., trehalulose). The solution is heated to 80–110°C before injection.
2. Injection and Flash Evaporation: The hot solution is injected into the vacuum mixer dryer, where it undergoes flash evaporation. The sudden pressure drop causes rapid water evaporation, leading to the formation of fine sugar particles that settle on the dry sugar template.
3. Drying and Homogenization: The drying sugar is transported through the dryer by the rotating shaft, which ensures even drying and homogenization. The process is carried out at mild temperatures (40–85°C) and under reduced pressure (30–600 mbar).
4. Discharge and Recycling: The dried powdered sugar is discharged from the dryer. A portion of the dried product is recycled back into the injection area to serve as a dry sugar template for the next batch.
Advantages of the Suedzucker AG Method
1. Efficient and Continuous Production: The vacuum mixer dryer enables continuous operation, reducing downtime and increasing productivity. The recycling of dried sugar as a template ensures consistent quality and reduces waste.
2. Controlled Particle Size and Crystallinity: The method allows for precise control over particle size and crystallinity, resulting in uniform powdered sugar with desirable properties. The final product can be tailored to specific applications, such as baking or pharmaceutical formulations.
3. Energy Savings: The use of reduced pressure and mild temperatures reduces energy consumption compared to traditional drying methods. Flash evaporation minimizes the need for high-temperature heating.
4. Reduced Stickiness and Clumping: The homogeneous drying process prevents the formation of sticky residues and clumping, ensuring smooth operation and easy cleaning.
5. Versatility: The method can be applied to a wide range of sugar-based products, including powdered sugar, isomalt, and isomaltulose mixtures.
By addressing the limitations of traditional methods, this technology offers a more efficient, consistent, and energy-saving solution for producing high-quality powdered sugar. With applications ranging from baking to pharmaceuticals, this innovation has the potential to transform multiple industries, delivering superior products with enhanced properties.


